杠杆会爆仓嘛-财经股票入门知识讲解大全视频-【东方资本】,t 0股票怎么操作,买股票怎么做空,如何申请杠杆交易

菜單導航
當前位置:首頁   ?  新聞動態 >>  行業新聞
新聞動態
18614012353 18501995144
jingy@jingqutech.com
m.52holiday.com
北京市豐臺區新華國際中心D座B1-107
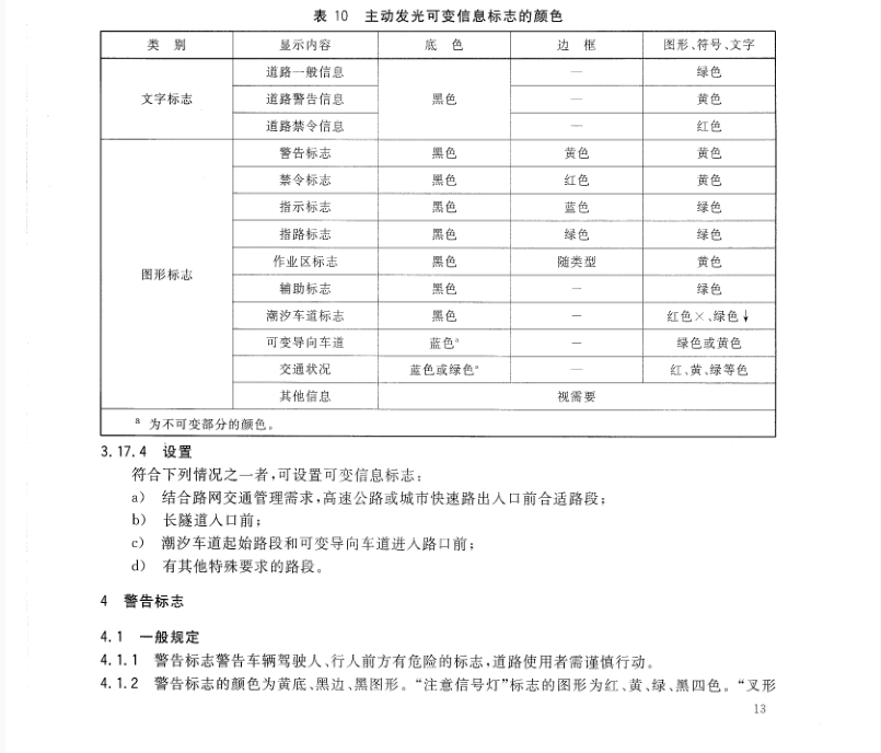
GB 5768.2—2009 道路交通標志和標線 第2部分:道路交通標志
 時間:2022-08-09 | 瀏覽:

關注官方微信

全國服務熱線:

18614012353  

公司地址: 北京市豐臺區花鄉高立莊616號新華國際中心D座B107室
服務電話:18614012353 
   
公司郵箱:zhaoyan@jingqutech.com
copyright© 2018 北京京衢科技有限責任公司. All Rights Reserved 京ICP備18037854號

我要
留言

咨詢
熱線

18614012353 18501995144
服務熱線

在線
QQ

在線QQ咨詢 點擊這里給我發消息

關注
微信

關注官方微信
頂部
?